温度传感器TT
TT 温度变送器
产品概述
| TT 温度变送器采用不锈钢外壳封装,尺寸小巧,防水防震性能极佳,安全可靠,产品采用热电阻信号通过变送模块转换为标准的电流电压信号输出,该产品可配带现场显示,其测温范围与输出信号呈线性关系,以实现远距离控制,测量精度相对较高,广泛应用于电力、冶金、医药、食品等工业领域的测温过程控制。 | ![]() |
|---|
产品亮点
紧促的连接方式,采用M12航空电气插头;
高耐压壳体,最高可承受35MPa;
探头默认长度25mm,其它长度可订制;
性能参数
| 温度范围 | -60-200℃(可选) | 热响应时间 | ≤30s |
|---|---|---|---|
| 精度 | 0.5℃ | 电气插头 | M12X1 航空插头 |
| 探头直径 | Φ8mm、Φ6mm | 电气信号 | 4-20mA、0-10V,PT1000 |
| 探头长度 | 默认25mm,可选 | 供电电压 | 9-36VDC |
| 连接接口 | G1/4 | 材质 | 304、316L |
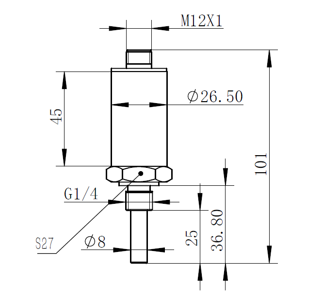
连接尺寸:

送检报告

实物图片
![]() |
![]() |
|---|


